Linha Itália
A Linha Itália combina design contemporâneo com linhas marcantes e excelente aproveitamento interno. Seu formato moderno e escadas amplas oferecem conforto, praticidade e um visual elegante que valoriza qualquer projeto.
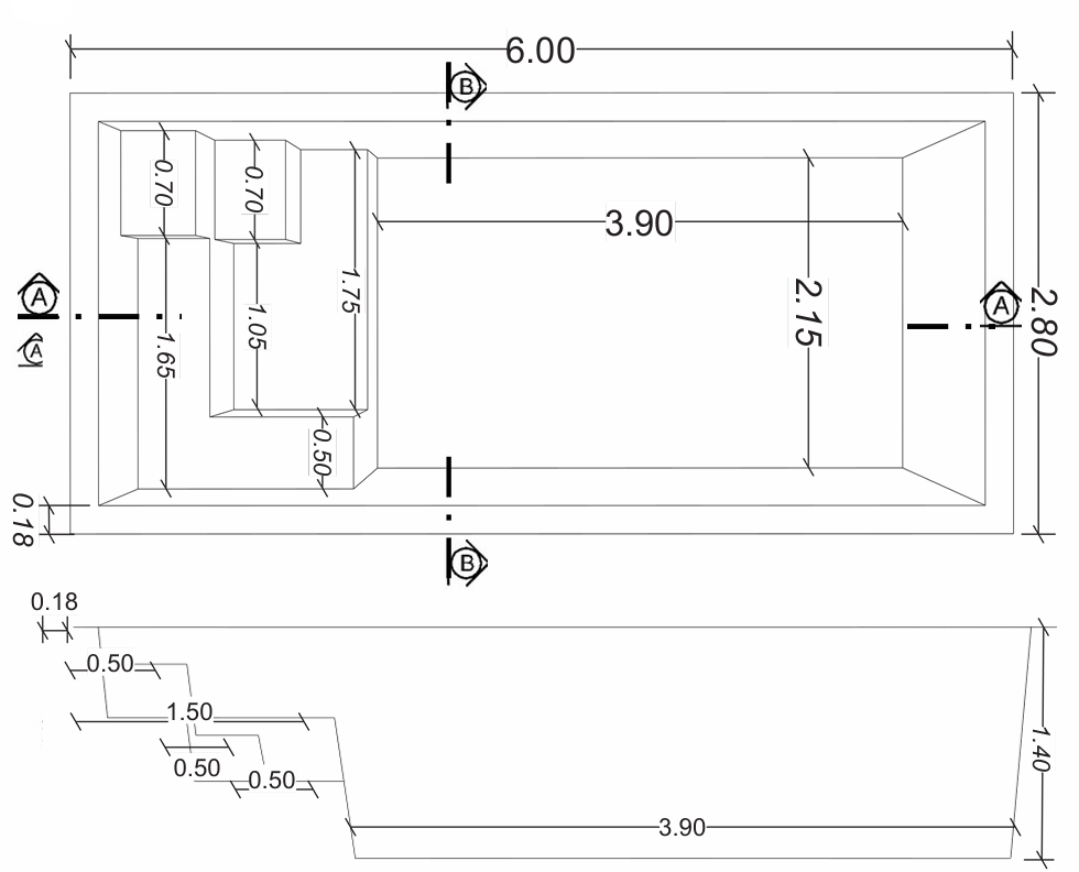
Modelos e Medidas
PLANTA BAIXA - Linha Itália
PLANTAS COMPLETAS E ESPECIFICAÇÕES
Tenha acesso aos projetos técnicos completos e visualize todas as medidas, detalhes técnicos e posicionamento dos elementos. Um material ideal para planejamento.
Realidade Aumentada
Descubra como a piscina ficará em Realidade Aumentada no seu ambiente antes da compra.
Orçamento Personalizado
Envie as medidas do seu espaço e receba uma proposta detalhada para o seu projeto.
Rede Autorizada
Encontre a unidade mais próxima de você e receba atendimento especializado com suporte completo e orientação técnica.
NOSSOS DIFERENCIAIS
INOVAÇÃO, QUALIDADE E CONFIANÇA EM CADA DETALHE
PROJETO INTERATIVO
Visualize sua piscina em Realidade Aumentada antes da instalação.
INSTALAÇÃO ESPECIALIZADA
Rede autorizada com padrão técnico e acabamento impecável.
PRAZOS FLEXÍVEIS
Planejamento eficiente e entrega organizada para sua obra.
PADRÃO MADRI
Qualidade comprovada que une design, resistência e sofisticação.
NOSSO DIFERENCIAL
MAIS QUE PISCINAS,
ENTREGAMOS EXPERIÊNCIAS.
TECNOLOGIA DE FABRICAÇÃO
Produção com materiais de alta resistência e acabamento superior, garantindo durabilidade e segurança estrutural.
- Estrutura monobloco em fibra de alta resistência
- Processo de fabricação com controle de qualidade rigoroso
- Acabamento interno com alto padrão estético
- Durabilidade superior e baixa manutenção
DESIGN E SOFISTICAÇÃO
Cada modelo é desenvolvido com linhas modernas, acabamento refinado e proporções que valorizam o ambiente e elevam o padrão do seu espaço.
- Modelos exclusivos e contemporâneos
- Bordas reforçadas e acabamento premium
- Variedade de tamanhos e modelos
- Integração perfeita com áreas gourmet e lazer
PADRÃO MADRI
INSTALAÇÃO PROFISSIONAL
Rede autorizada com padrão técnico rigoroso e acompanhamento especializado em cada etapa.
- Equipe autorizada e treinada
- Planejamento preciso para execução sem imprevistos
- Instalação técnica com padrão certificado
- Suporte completo do início ao fim
- Garantia e padrão de qualidade reconhecido
TECNOLOGIA MADRI
VISUALIZE SUA PISCINA ANTES DA INSTALAÇÃO
Descubra como o modelo escolhido ficará no seu ambiente com nossa tecnologia de Realidade Aumentada.
- Simule no seu próprio espaço
- Compare tamanhos e profundidades
- Mais segurança na decisão de compra
Elegância que transborda
MODELOS DE LUXO PASTILHADOS.
Piscinas pastilhadas com acabamento premium, design sofisticado e padrão internacional de qualidade.
- Revestimento pastilhado de alto padrão
- Design exclusivo e contemporâneo
- Acabamento refinado e estrutura reforçada
- Modelos que valorizam seu espaço
Ainda tem dúvidas? Nós respondemos para você.
As piscinas de fibra de vidro oferecem instalação rápida, excelente durabilidade e manutenção mais simples quando comparadas a outros tipos de piscina. São modelos estruturados de fábrica, garantindo acabamento uniforme, conforto e ótimo custo-benefício para quem busca praticidade, beleza e longa vida útil.
Sim. As piscinas de fibra são produzidas com materiais de alta qualidade, oferecendo excelente durabilidade, resistência estrutural e ótimo acabamento, garantindo segurança e longa vida útil.
A instalação da piscina de fibra é muito mais rápida e organizada quando comparada a outros sistemas. A rede autorizada segue etapas planejadas para reduzir transtornos e deixar o ambiente pronto para uso no menor tempo possível.
Não necessariamente. Trabalhamos com diversos modelos e tamanhos que se adaptam a diferentes tipos de terrenos, desde espaços compactos até áreas maiores de lazer.
Sim. As unidades da Rede Autorizada Madri Piscinas acompanham o cliente em todas as fases, oferecendo orientações sobre uso, limpeza e cuidados necessários para manter a piscina sempre perfeita.
O valor da piscina pode variar conforme o modelo escolhido, tamanho, acessórios e características do local de instalação. Para receber um orçamento exato, solicite uma proposta personalizada através do formulário.
Após o envio das informações pelo formulário, nossa equipe ou a unidade autorizada mais próxima analisa seu projeto e entra em contato para apresentar o modelo mais indicado, valores e orientações técnicas.
As condições de pagamento podem variar conforme a unidade autorizada. Nossa equipe irá apresentar as opções disponíveis para facilitar a realização do seu projeto.
A instalação da piscina é realizada pelas unidades da Rede Autorizada Madri Piscinas, formadas por profissionais especializados e capacitados para executar o projeto com segurança e qualidade. A fábrica Madri Piscinas é responsável pela fabricação dos produtos, enquanto os serviços de instalação, acompanhamento da obra e manutenção são de responsabilidade da unidade autorizada contratada pelo cliente em sua região.
Há mais de 25 Anos servindo com Excelência